扫描电镜是一种利用高能电子束在样品表面进行栅状扫描,通过探测样品与电子束相互作用产生的二次电子、背散射电子及特征X射线等信号,以获取样品表面微观形貌、成分及结构信息的重要分析仪器。其成像分辨率可达纳米级别,景深大,能够清晰呈现粗糙或不平整表面的三维拓扑特征。在造纸科学与技术领域,扫描电镜凭借其高分辨率、大景深以及可结合能谱仪进行微区成分分析的能力,已成为纸张材料微观结构表征不可或缺的工具。本文将从纸张表面形貌观察、内部结构分析、成分检测以及工艺优化等四个方面系统阐述扫描电镜在造纸领域的具体应用,并结合实际案例展开深入探讨。
一、纸张表面形貌与结构的微观观察
纸张是由植物纤维(如木浆、草浆等)通过交织、氢键结合并辅以填料、胶料及化学助剂构成的复杂多孔复合材料。其表面形貌与微观结构,如纤维排列方式、孔隙分布、填料分散状态及表面处理层结构等,直接决定了纸张的物理性能(如强度、平滑度、透气度)、光学性能(如白度、不透明度)以及印刷适性等关键品质指标。
传统的光学显微镜受限于光学衍射极限,其有效放大倍数一般不超过1000倍,分辨率较低,难以清晰分辨纤维表面微细结构、微米级孔隙及纳米级涂布层形态。此外,光学显微镜对样品表面平整度要求较高,无法有效观测纤维悬浮或立体交织结构。相比之下,扫描电镜可实现数千至数十万倍的连续放大,在理想条件下分辨率高达1纳米,并具备优异的景深效果,能够清晰展现纤维表面形态、细小孔隙、填料粒子分布以及涂布层均匀性等细节特征。
在实际应用中,扫描电镜可用于系统观测纸张纤维的细胞壁形态、纤维表面微纤丝取向、细小纤维的分布、填料(如碳酸钙、高岭土)与纤维的结合状态,以及施胶剂在纤维表面的覆盖情况等。此外,扫描电镜还广泛用于评估各类表面处理工艺(如涂布、施胶、压光、印刷等)对纸张表面结构的改变,为工艺优化及新产品开发提供直接的形貌学依据。
实验案例:利用浪声SuperSEM对多品类纸张表面形貌观察
本研究选取市面常见的六类纸张样品,包括A4打印纸、称量纸、卫生纸、乳霜纸、便利贴及无尘纸,在相同制样与观测条件下进行表面形貌分析,主要结果如下:
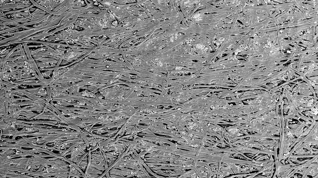
(1)A4打印纸(图1):表面相对平整光滑,纤维交织紧密,孔隙率较低。纤维直径分布较为均一,约在11–17 μm之间,纤维取向随机,无明显方向性。表面可见大量亚微米级填料颗粒(推测为碳酸钙或高岭土)附着,有助于提升纸张不透明度与印刷性能。

图1 A4打印纸表面形貌
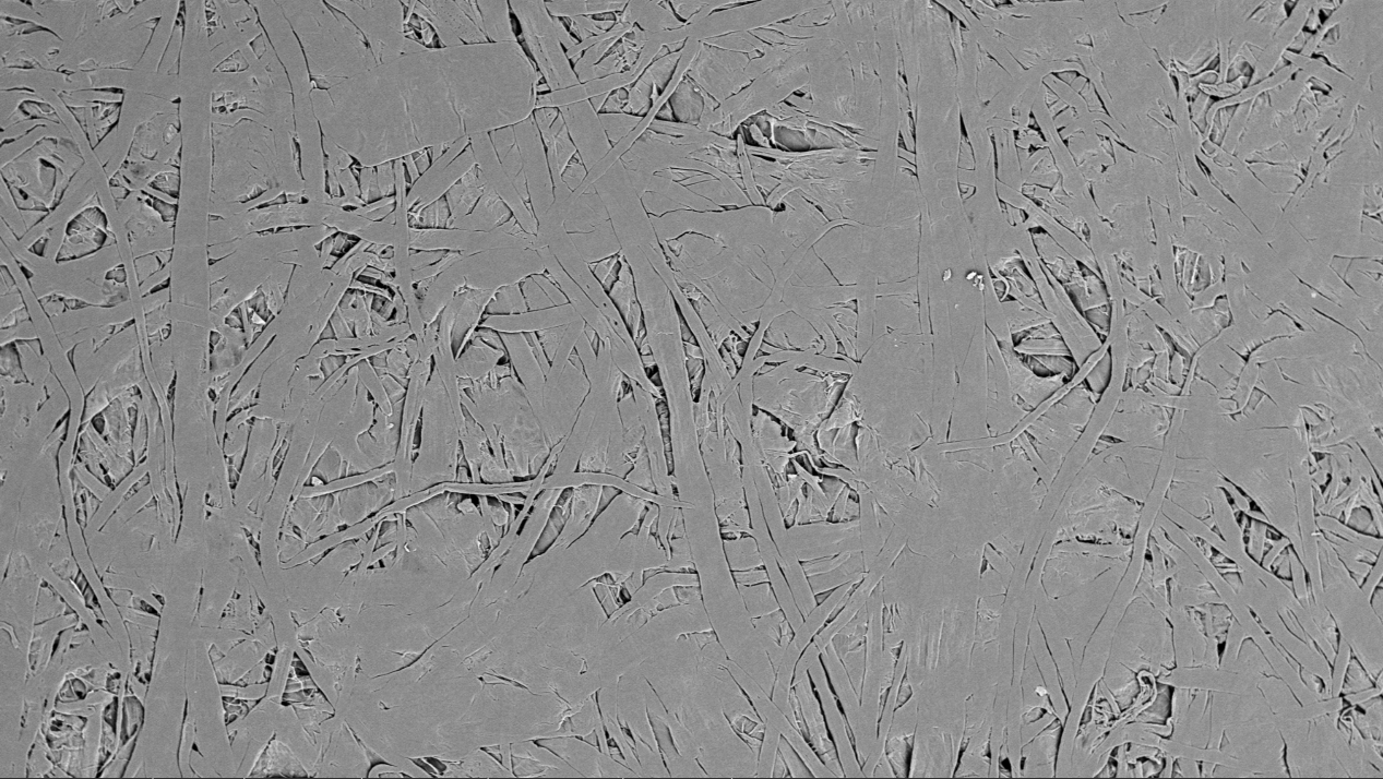
(2)便利贴(图2):表面光滑度与A4纸相近,纤维排列亦较为紧密,但整体纤维直径明显更细。纤维排布呈现大致统一的方向性,可能与纸张制造过程中的定向铺网工艺有关。表面同样附着有大量细小颗粒物,其成分需进一步通过EDS确认。

图2 便利贴表面形貌
(3)称量纸(图3):表面极为光滑且压实紧密,纤维间孔隙极少,纤维排列杂乱无章,直径分布不均。表面洁净,未见明显颗粒附着物,说明其可能经过高度压光处理且填料含量较低,以满足其高尺寸稳定性与抗渗透性的要求。

图3 称量纸表面形貌
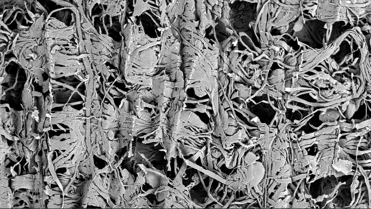
(4)某品牌卫生纸(图4):结构疏松多孔,表面相对粗糙,纤维直径差异显著,可见大量破碎纤维及球状纤维束(可能源于回收纤维或特定浆料处理)。纤维呈双向编织状排列,整体形貌呈现波浪状起伏,表面无颗粒状附着物,符合其高柔软度与吸水性的使用需求。

图4 普通卫生纸表面形貌
(5)某品牌乳霜纸(图5):相较于普通卫生纸,其表面更为光滑,纤维交织更为紧密有序,孔隙数量与尺寸均有所减小。纤维形态以完整的丝状纤维为主,表面洁净无附着物,体现出其较高的浆料纯度与可能添加的柔软剂对纤维的柔化作用。

图5 乳霜纸表面形貌
(6)无尘纸(图6):结构极为疏松,纤维形态以中空管状纤维为主,掺杂少量扁平纤维,排布呈现轻微方向性。表面洁净无附着物,其独特的纤维形态与结构设计旨在实现低粉尘脱落和高吸附性能,常用于洁净室或高精度擦拭场合。

图6 无尘纸表面形貌
二、纸张内部结构的观测与分析
纸张的性能不仅取决于其表面特性,更与其内部结构,如纤维网络的三维架构、层间结合状态、添加剂的内部分布等密切相关,通过制备纸张横断面或纵断面样品,扫描电镜可以清晰揭示其内部纤维的交织形态、层间结构、填料与纤维的界面结合情况,以及化学添加剂(如湿强剂、干强剂)在纤维网络中的分布状态。
实验案例:A4打印纸与便利贴截面结构对比
结果显示:
(1)A4打印纸(图7a):截面呈现典型的多层结构,层数较多,整体结构均一。层间可见较多填料颗粒分布,与表面观察结果一致,说明填料在纸张内部也均匀分布。

图7a A4打印纸截面形貌
(2)便利贴(图7b):截面结构呈现明显的不对称性。一面为与A4纸相似的纤维层状结构,而另一面则为连续的胶黏剂层。该胶层保证了便利贴的可再贴性,其与纤维基层的界面结合状态是影响使用性能的关键。

图7b 便利贴截面形貌
三、纸张成分的微区分析与鉴定
现代造纸过程中常使用多种功能性添加剂,如填料、颜料、施胶剂、染料、荧光增白剂等。这些物质的种类、含量及分布直接影响纸张的最终性能与成本。扫描电镜配合EDS可实现对样品微米尺度的元素成分定性与半定量分析。
通过EDS分析,可以直观展示特定元素(如Ca来自碳酸钙填料,Al来自硫酸铝施胶剂,Si来自高岭土或无机助留剂)在纤维表面的分布情况。这对于评估填料的留着率、施胶剂的均匀性、以及鉴别杂质或污染物的来源至关重要。
实验案例:表面附着物成分EDS分析
针对上述表面有黏着物(A4纸、便利贴)和无黏着物(称量纸、卫生纸、乳霜纸、无尘纸等)的样品进行EDS点分析。能谱结果显示:
(1)所有纸张样品的基础元素均为C、O、Al,部分样品检出Mg,这主要源于植物纤维本身及造纸过程中使用的明矾(硫酸铝)等化学品。
(2)在表面有黏着物的A4纸和便利贴样品中,均检测到显著的Ca元素信号,如图8a,8b。

图8a 含Ca类A4纸能谱谱图及元素分布伪彩图

图8b 含Ca类便利贴能谱谱图及元素分布伪彩图
(4)在表面洁净的称量纸、卫生纸、乳霜纸、无尘纸等样品中,未检测到Ca元素,如图9a,9b,9c,9d。

图9a 不含Ca类称量纸能谱谱图及元素分布伪彩图

图9b 不含Ca类卫生纸能谱谱图及元素分布伪彩图

图9c 不含Ca类乳霜纸能谱谱图及元素分布伪彩图

图9d 不含Ca类纸张能谱谱图及元素分布伪彩图
由此可推断,A4纸与便利贴表面观测到的颗粒状附着物主要成分为含钙化合物,极可能是常用的造纸填料——碳酸钙(CaCO3)。该分析为优化填料工艺、控制纸张灰分提供了直接证据。
四、在纸张制造工艺研究与优化中的应用
造纸是一个包含备料、打浆、配料、流送、成型、压榨、干燥、压光、涂布等多个单元的复杂流程。扫描电镜可以贯穿于整个工艺链,用于诊断和优化各个环节。如:
(1)打浆工艺评估:通过观察纤维形态(如纤维长度、分丝帚化程度),评估打浆对纤维的细化作用及对成纸强度的贡献。
(2)湿部化学研究:利用SEM+EDS分析填料、胶料在纤维网络中的分布与留着情况,优化湿部化学品添加策略。
(3)干燥与压光分析:观察纤维在干燥过程中的收缩、卷曲以及压光后纤维的扁平化程度,关联纸张紧度、平滑度等物理指标。
(4)涂布工艺优化:分析涂布层的厚度、均匀性、孔隙结构以及涂层与基纸的界面结合情况,指导涂层配方与涂布工艺参数的调整。
扫描电镜及其他附件的搭配,为造纸工业提供了一个从微观尺度深入理解材料结构、成分与性能之间关系的强大平台。它在纸张表面与内部形貌表征、成分鉴定以及工艺过程解析等方面发挥着不可替代的作用,为产品质量控制、生产工艺优化、新产品开发和成本降低提供了科学的、定量的数据支持。随着技术的发展,扫描电镜在造纸领域的应用将更加深入和广泛,必将持续推动造纸行业向更高效、更精细、更可持续的方向发展,成为技术创新的核心驱动力之一。
